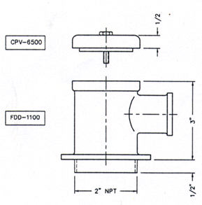
OILMISERTM FILLORDRAINTM Specifications

 
 
 
 
 
 
 
 

 




Parts Price ListAbout JLM SystemsContact Us

We Accept

JLM Systems Ltd.
23091 Westminster Hwy, Richmond, B.C., Canada V6V 1B9

Toll
Email:info@oilmiser.com